1
/
of
3
Nekumori
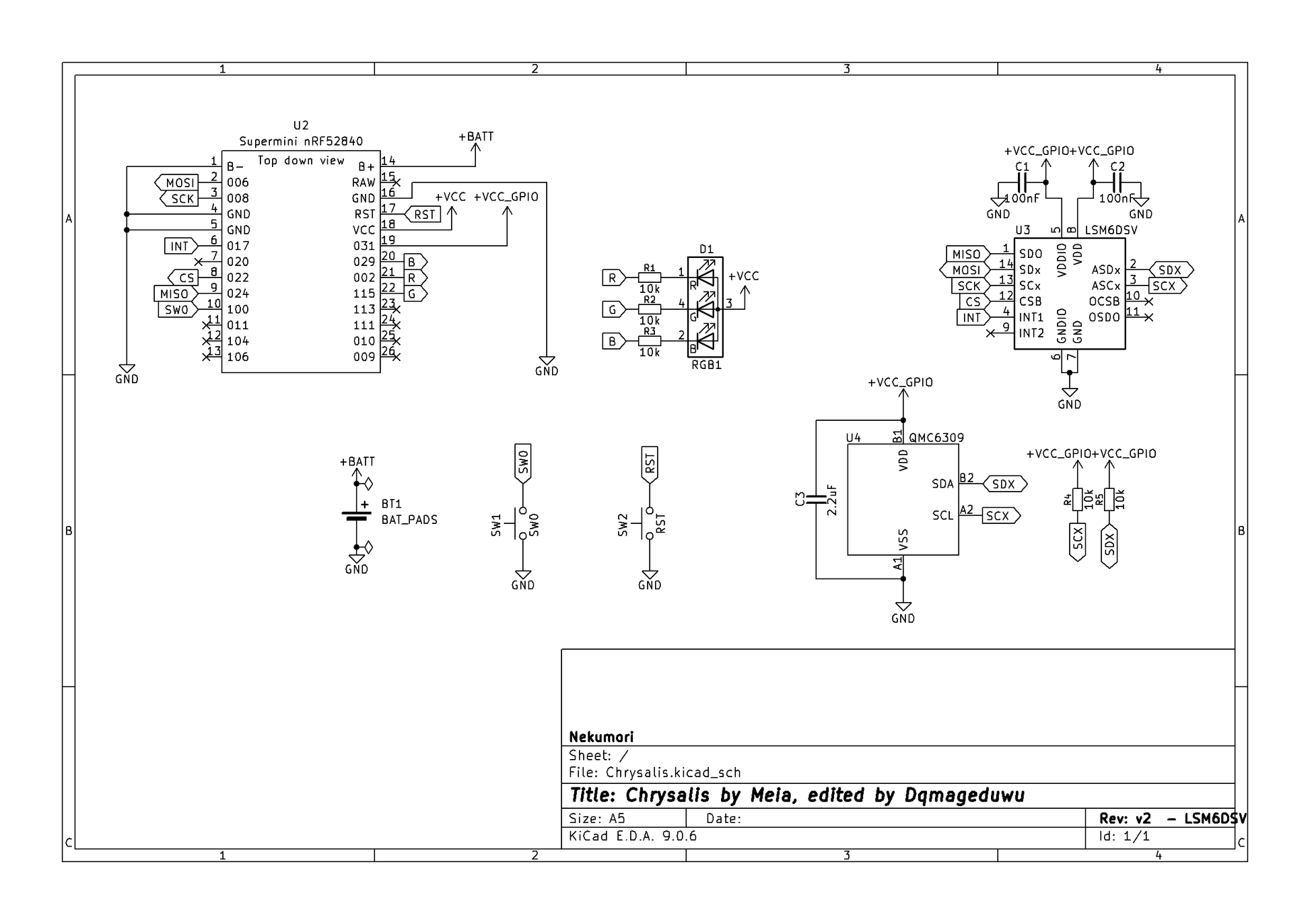
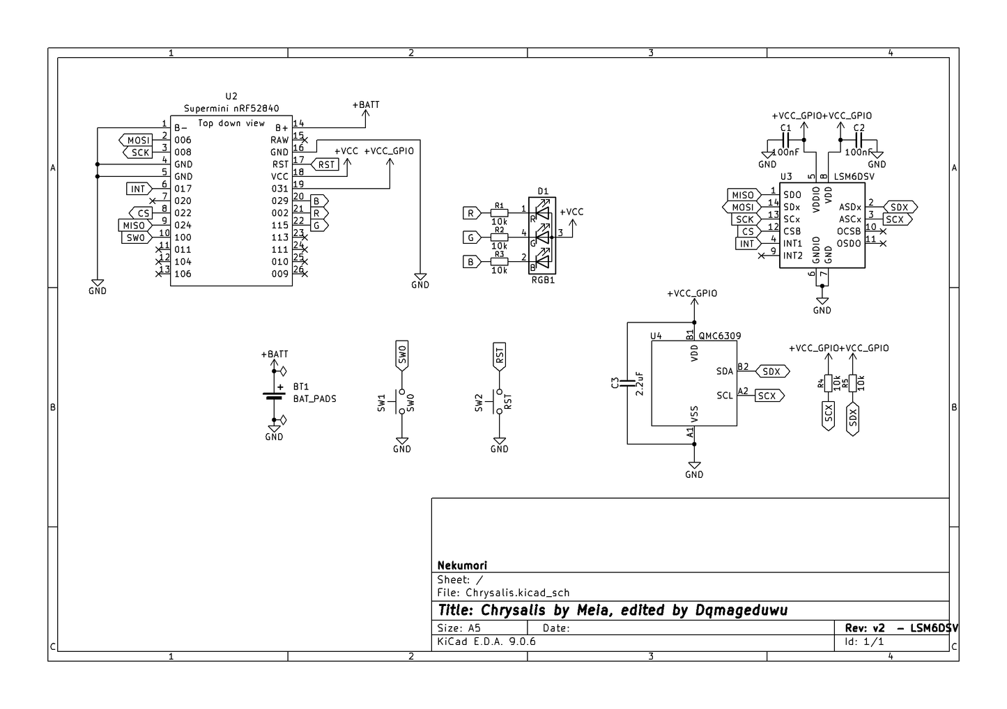
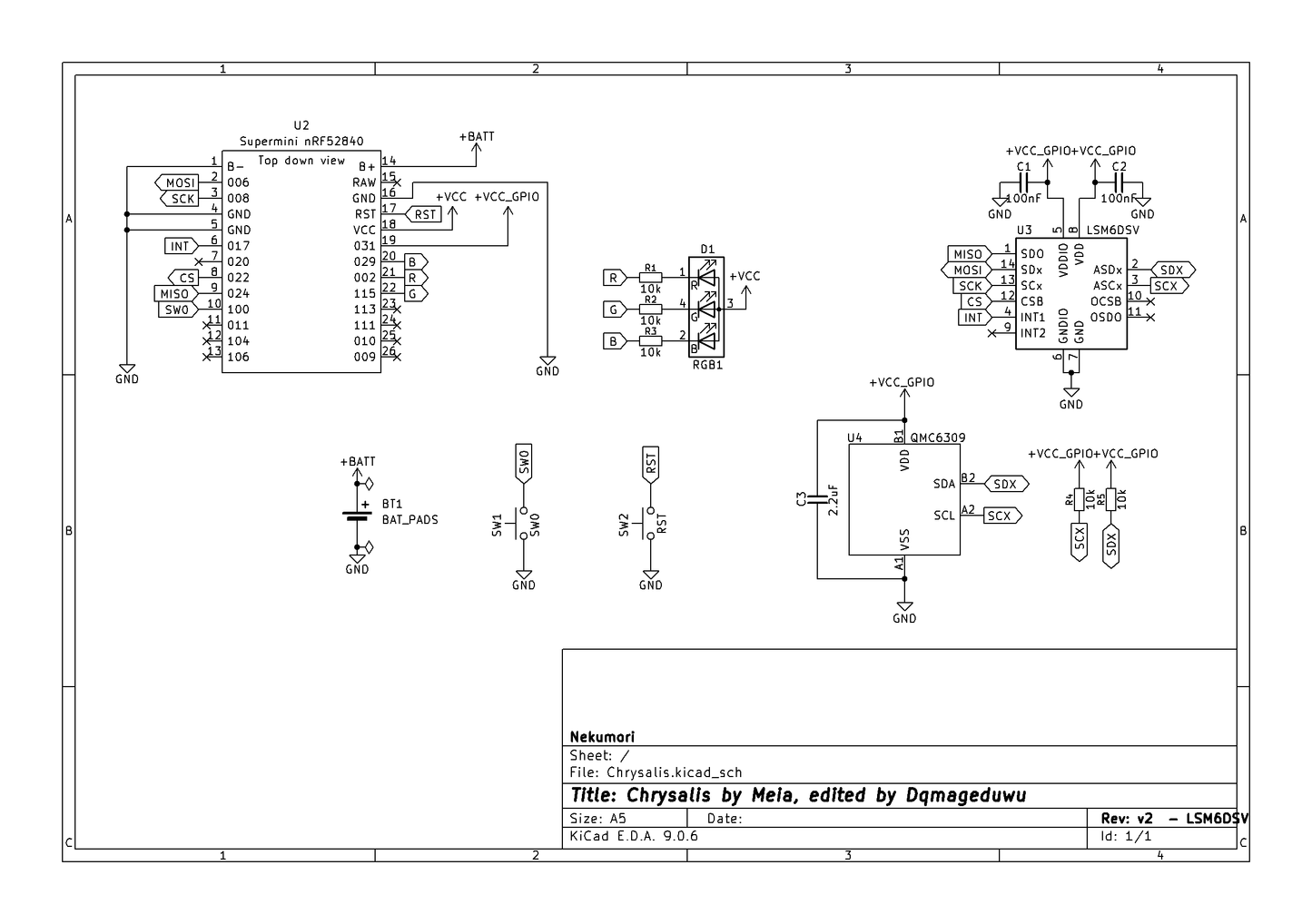
'Chrysalis' - Stacked Smol Slime Alternative | v2 - LSM6DSV
'Chrysalis' - Stacked Smol Slime Alternative | v2 - LSM6DSV
Chrysalis!
A shield PCB for the nRF52840 Supermini/Pro Micro with an IMU, magnetometer, RGB LED and two buttons. Designed for DIY nRF-based SlimeVR trackers. Comes in White.
Chrysalis Instructions
Chrysalis Solder Helper
Overview
Chrysalis is a compact, back-mounted shield that solders directly to the underside of the nRF52840 Supermini or Pro Micro. It adds:
- 3-axis accelerometer/gyroscope (STMicroelectronics LSM6DSV) - Recent Change!
- 3-axis magnetometer (QMC6309)
- Two push-buttons for SW0 and RESET
- Configurable RGB LED (Requires custom built firmware for color changes)
- Pads for battery wires
All exposed pads are marked with a star (*) and must be soldered.
New v2 boards no longer have stars as all pads must be soldered.
Requirements to make a full tracker
- Chrysalis board
- nRF52840 Supermini or ProMicro
- Soldering iron (chisel or knife-type tip recommended), solder wire, flux (optional but recommended)
- 3.7v battery with a 100mAh capacity minimum
Resources
Chrysalis designed by Meia 💫 , edited by Dqmageduwu🌸
Regular price
$6.99 USD
Regular price
Sale price
$6.99 USD
Quantity
Out of stock
Couldn't load pickup availability
